PRODUCT
HJ型化工离心碱泵实拍视频:
一、概述
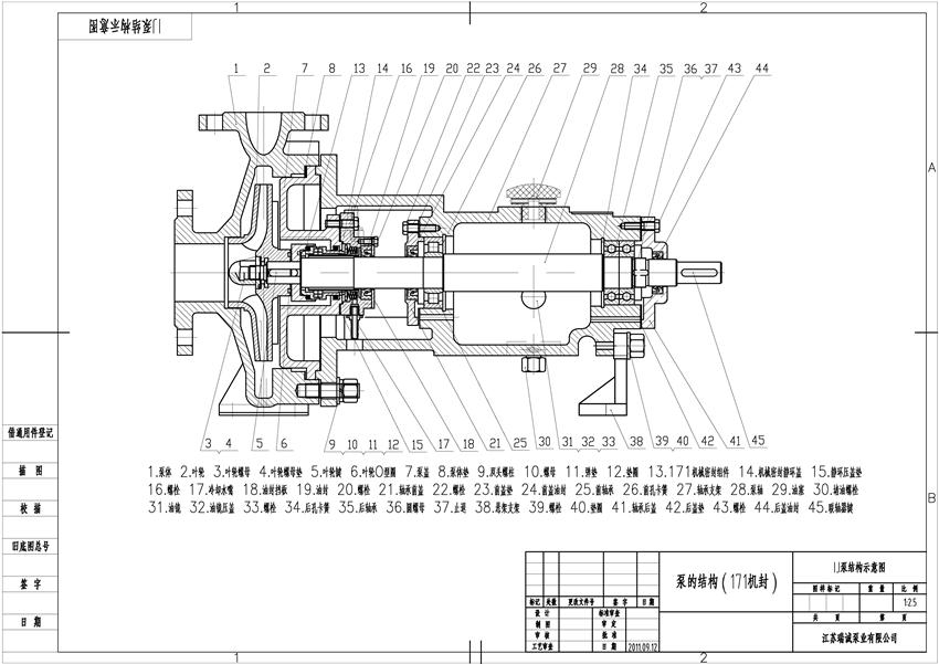
HJ化工离心泵是我公司在IH泵的基础上升级创新而成的标准化工流程泵。该泵为单级单吸悬臂式结构,其性能参数符合GB/T5662(等效于IS02858)标准。在设计上,采用了先进的水力模型,具有较高的效率,比IH泵提高了5%,是节能型产品。在结构设计上借鉴了美国ANSI标准,加粗了轴径、缩短了悬臂比,消除了IH泵经常断轴的弊病,提高了运行稳定性,降低了维修费用和运行成本。公司参照了美国API682标准研制出的171系列机械密封已成功地使用于纯碱、氯碱、制盐、磷化工、冶金、环保等行业及易结晶、多颗粒的工况。HJ化工离心泵泵目前己有100多个规格,基本覆盖2.5MPa压力、200℃温度下的所有化工流程应用。是与CZ、ZA并列的国内应用广泛的三大化工离心泵系列之一。
二、与IH泵相比,HJ化工离心泵结构具有以下特点:
1、缩短了叶轮的悬臂,加粗了轴的直径;
2、非对称截面的蜗壳、泵壳无口环;
3、采用三只进口轴承;
4、装有与国外先进的双端面机械密封或填料密封相似的新型密封;
由于以上结构使该泵有以下优越性:
1、可以输送高粘度或固体的介质,这时泵的效率较IH泵高;
2、非对称截面蜗壳减少了流体的冲击损失,缩短了泵壳尺寸;
3、增加轴的强度,减少了转子的挠度,因而运行稳定,密封寿命长;
4、叶轮螺母与叶轮做成一体,改善了泵的入口条件,提高泵的抗汽蚀性能;
5、先进的轴封形式,使密封效果更佳,减少了泵的泄漏;
6、可以不拆卸泵壳和叶轮的情况下调节泵的间隙,减少了维修时间,节省维修成本;


三、性能参数表
型号/性能参数 | 转速r/min | 流量m3/h | 扬程m | 电机功率KW | |||
比重 R=1.00 | 比重 R=1.35 | 比重 R=1.84 | |||||
HJ40-25-125 | 2900 | 6 | 20 | Y802-2/1.1 | Y90S-2/1.5 | Y90L-2/2.2 | |
HJ40-25-125A | 2900 | 5.2 | 15 | Y801-2/0.75 | Y802-2/1.1 | Y90S-2/1.5 | |
HJ40-25-160 | 2900 | 6 | 30 | Y90L-2/2.2 | Y100L-2/3 | Y112M-2/4 | |
HJ40-25-160A | 2900 | 5.2 | 26 | Y90S-2/1.5 | Y90L-2/2.2 | Y100L-2/3 | |
HJ50-32-125 | 1450 | 6.3 | 5 | Y801-4/0.55 | Y801-4/0.55 | Y801-4/0.55 | |
HJ50-32-125 | 2900 | 12.5 | 20 | Y90S-2/1.5 | Y90L-2/2.2 | Y100L-2/3 | |
HJ50-32-125A | 2900 | 11.3 | 16.2 | Y90S-2/1.5 | Y90S-2/1.5 | Y90L-2/2.2 | |
HJ50-32-160 | 1450 | 6.3 | 8 | Y801-4/0.55 | Y801-4/0.55 | Y802-4/0.75 | |
HJ50-32-160 | 2900 | 12.5 | 32 | Y100L-2/3 | Y112M-2/4 | Y132S1-2/5.5 | |
HJ50-32-160A | 2900 | 11.2 | 26 | Y90L-2/2.2 | Y100L-2/3 | Y112M-2/4 | |
HJ50-32-200 | 1450 | 6.3 | 12.5 | Y802-4/0.75 | Y90S-4/1.1 | Y90L-4/1.5 | |
HJ50-32-200 | 2900 | 12.5 | 50 | Y132S1-2/5.5 | Y132S2-2/7.5 | Y160M1-2/11 | |
HJ65-50-125 | 1450 | 12.5 | 5 | Y801-4/0.55 | Y801-4/0.55 | Y802-4/0.75 | |
HJ65-50-125 | 2900 | 25 | 20 | Y100L-2/3 | Y112M-2/4 | Y132S1-2/5.5 | |
HJ65-50-125A | 2900 | 22.5 | 16 | Y90L-2/2.2 | Y100L-2/3 | Y112M-2/4 | |
HJ65-50-160 | 1450 | 12.5 | 8 | Y802-4/0.75 | Y90S-4/1.1 | Y90S-4/1.1 | |
HJ65-50-160 | 2900 | 25 | 32 | Y112M-2/4 | Y132S1-2/5.5 | Y132S2-2/7.5 | |
HJ65-50-160A | 2900 | 22.5 | 26 | Y100L-2/3 | Y112M-2/4 | Y132S1-2/5.5 | |
HJ65-40-200 | 1450 | 12.5 | 12.5 | Y90S-4/1.1 | Y90L-4/1.5 | Y100L-4/2.2 | |
HJ65-40-200 | 2900 | 25 | 50 | Y132S2-2/7.5 | Y160M1-2/11 | Y160M2-2/15 | |
HJ80-65-125 | 1450 | 25 | 5 | Y802-4/0.75 | Y90S-4/1.1 | Y90S-4/1.1 | |
HJ80-65-125 | 2900 | 50 | 20 | Y132S1-2/5.5 | Y132S1-2/5.5 | Y132S2-2/7.5 | |
HJ80-65-125A | 2900 | 46.5 | 17.3 | Y112M-2/4 | Y132S1-2/5.5 | Y132S2-2/7.5 | |
HJ80-65-160 | 1450 | 25 | 8 | Y90S-4/1.1 | Y90L-4/1.5 | Y100L1-4/2.2 | |
HJ80-65-160 | 2900 | 50 | 32 | Y132S2-2/7.5 | Y160M1-2/11 | Y160M2-2/15 | |
HJ80-65-160A | 2900 | 46 | 28 | Y132S2-2/7.5 | Y160M1-2/11 | Y160M1-2/11 | |
HJ80-50-200 | 1450 | 25 | 12.5 | Y100L1-4/2.2 | Y100L1-4/2.2 | Y100L2-4/3 | |
HJ80-50-200 | 2900 | 50 | 50 | Y160M1-1/11 | Y160M2-2/15 | Y180M-2/22 | |
HJ100-80-125 | 1450 | 50 | 5 | Y90L-4/1.5 | Y100L1-4/2.2 | Y100L2-4/3 | |
HJ100-80-125 | 2900 | 100 | 20 | Y160M1-2/11 | Y160M2-2/15 | Y160L-2/18.5 | |
HJ100-80-125A | 2900 | 93 | 17.3 | Y132S2-2/7.5 | Y160M1-2/11 | Y160M2-2/15 | |
HJ100-80-160 | 1450 | 50 | 8 | Y100L1-4/2.2 | Y100L2-4/3 | Y112M-4/4 | |
HJ100-80-160 | 2900 | 100 | 32 | Y160M2-2/15 | Y160L-2/18.5 | Y200L1-2/30 | |
HJ100-80-160A | 2900 | 93 | 28 | Y160M1-2/11 | Y160M2-2/15 | Y160L-2/18.5 | |
HJ100-80-200 | 1450 | 75 | 12.5 | Y112M-4/4 | Y132M-4/5.5 | Y132M-4/7.5 | |
HJ100-80-200 | 2900 | 150 | 50 | Y200L1-2/30 | Y225M-2/45 | Y250M-2/55 | |
HJ100-65-200 | 1450 | 50 | 12.5 | Y100L2-4/3 | Y112M-4/4 | Y132S-4/5.5 | |
HJ100-65-200 | 2900 | 100 | 50 | Y180M-2/22 | Y200L1-2/30 | Y225M-2/45 | |
HJ125-80-200 | 2900 | 150 | 50 | Y200L1-2/30 | Y225M-2/45 | Y250M-2/55 | |
HJ125-100-250 | 1450 | 100 | 20 | Y160M-4/11 | Y160M-4/11 | Y160L-4/15 | |
HJ125-100-250 | 2900 | 200 | 80 | Y280S-2/75 | Y280M-2/90 | Y315S-2/110 | |
HJ150-125-250 | 1450 | 200 | 20 | Y180M-4/18.5 | Y180L-4/22 | Y200L-1/30 | |
HJ200-150-250 | 1450 | 300 | 20 | Y200L-4/30 | Y225S-4/37 | Y225M-4/45 | |
HJ200-150-250 | 1450 | 400 | 20 | Y200L-4/30 | Y225S-4/37 | Y225M-4/55 | |
四、产品实拍及使用现场











上一篇:ZA型石油化工流程泵
下一篇:LC型高效烟气脱硫循环泵
为您提供耐腐耐磨砂浆泵,工程塑料泵,蒸发循环泵等方面的专属解决方案